
土壤氡濃度檢測作為環境安全監測的重要組成部分,對于保護公眾健康、預防放射性污染具有重要意義。那么土壤氡濃度檢測什么時候做?土壤氡濃度檢測標準有哪些?土壤氡濃度檢測找哪個檢測機構?本文將為大家詳細介紹,并附上土壤氡濃度檢測案例。
土壤氡濃度檢測什么時候做取決于多種因素,但主要圍繞項目需求、環境條件和檢測效率來考量。以下是一些建議的做土壤氡濃度檢測的時間點:
項目前期規劃階段:在土地開發、建筑項目等初期規劃階段,進行土壤氡濃度檢測是非常必要的。這有助于項目方了解地塊的放射性污染狀況,評估潛在的健康風險,并在必要時采取相應的預防和治理措施。
施工前:在正式開始施工之前,進行土壤氡濃度檢測可以確保施工區域的環境安全。如果發現土壤氡濃度超標,項目方可以及時調整施工方案,采取防護措施,避免施工過程中對工人和周邊環境的危害。
環境評估與治理后:在進行土壤污染治理或修復工程后,進行土壤氡濃度檢測是評估治理效果的重要手段。這有助于確認治理措施的有效性,并確保土壤環境質量達到相關標準和要求。
定期監測:對于可能存在放射性污染風險的區域,如核電站周邊、礦區等,建議進行定期的土壤氡濃度檢測。這有助于及時發現并應對可能的放射性污染事件,保障公眾健康和環境安全。
氣候條件適宜時:如前所述,土壤氡濃度檢測應盡可能在晴天進行,避免雨天或極端溫度條件下的檢測,以確保檢測結果的準確性和可靠性。
因此,土壤氡濃度檢測什么時候做應根據具體項目需求、環境條件以及檢測目的來綜合確定。在任何可能涉及放射性污染風險的場景中,及時、準確地進行土壤氡濃度檢測都是至關重要的。
土壤氡濃度檢測遵循一系列嚴格的標準,以確保檢測結果的規范性和可比性。在我國,民用建筑工程領域常參考的標準是《民用建筑工程室內空氣污染控制規范》GB 50325-2020。該標準規定了土壤中氡濃度的限值以及相應的檢測方法。通常,土壤中氡濃度的測量可以采用電離室法、靜電收集法、閃爍瓶法、金硅面壘型探測器等多種方法進行,這些方法各有特點,可根據實際情況選擇使用。
在具體實施檢測時,檢測區域應與工程地基基礎占地范圍相同,布點應以間距10米作網格,各網格點即為測試點。布點位置應覆蓋基礎工程范圍,并確保布點數不少于16個。在每個檢測點,需使用專用鋼釬打孔,孔的深度通常為500至800毫米,孔徑在20至40毫米之間。成孔后,應使用特制的取樣器插入孔中,并密閉取樣器靠近地表的部分,避免大氣滲入孔中。隨后,通過抽氣筒或雙鏈球進行抽氣檢測,以獲得準確的土壤氡濃度數據。
在土壤氡濃度檢測領域,第三方檢測機構中鋼國檢發揮著重要的作用。中鋼集團鄭州金屬制品研究院股份有限公司質檢中心(簡稱中鋼國檢),是質檢總局首批批準成立的第三方公正性技術檢驗機構。該中心不僅擁有CMA、CNAS等多重資質認證,還具備豐富的行業服務經驗和強大的專家團隊。
中鋼國檢在土壤氡濃度檢測方面,遵循國家相關標準和規范,采用先進的檢測技術和設備,確保檢測結果的準確性和可靠性。其專業的檢測分析服務能夠為客戶提供全面的土壤氡濃度數據,幫助客戶了解土壤環境狀況,為工程建設和環境保護提供有力支持。
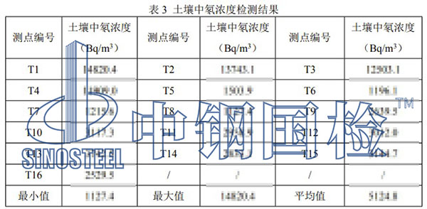
中鋼國檢作為老牌第三方檢測機構,服務行業近40年,其擁有非常豐富的土壤氡濃度檢測經驗,下面是某單位委托中鋼國檢做的土壤氡濃度檢測,檢測樣品有16處,詳細內容如下:
工程部位:某站房及相關工程
樣品名稱:土壤
樣品數量:16 處
樣品特征:現場已滿足
檢測標準依據:GB 50325-2020《民用建筑工程室內環境污染控制標準》
判定依據:GB 50325-2020《民用建筑工程室內環境污染控制標準》
檢測項目:1.土壤中氡濃度。

檢測結論:對某站站房及相關工程站房土壤中氡濃度進行檢測,檢測區域共布設 16個測點,檢測濃度范圍值和平均值結果,該工程項目各測點土壤中氡濃度及土壤中氡濃度平均值均小于20000 Bq/m3,可不采取防氡工程措施。
以上就是中鋼國檢根據客戶委托的樣品檢測項目結果,出具的土壤氡濃度檢測報告,報告加蓋了CMA、CNAS等資質印章,具備法律效力,在中鋼國檢官網和國家質量監督局均線上可查,全國認可,用途廣泛。
綜上,土壤氡濃度檢測是保障環境安全、預防放射性污染的重要手段。中鋼國檢是專業第三方檢測機構,提供土壤氡濃度全面檢測服務,并且中鋼國檢檢測服務覆蓋全國,各個地區客戶可就近選擇檢測站和實驗室。同時,中鋼國檢支持郵寄、上門取樣和現場檢測等多個送檢方式,線上委托,檢測方便快捷,一般3-7天即可出具正規檢測報告。若您有土壤氡濃度或其他檢測需求,均可隨時咨詢中鋼國檢,與工程師溝通具體的檢測樣品及檢測項目指標,并獲取優惠報價。