
隨著現代建筑技術的快速發展和人們生活水平的提高,室內環境質量成為越來越多人關注的焦點。室內環境污染物,如甲醛、苯、TVOC等,不僅影響居住者的身體健康,還可能引發一系列健康問題。因此,進行室內環境污染物檢測,了解并控制污染物濃度,對于保障人們的健康生活至關重要。那么室內環境污染物檢測標準依據哪些?室內環境污染物檢測點數如何設置?室內環境污染檢測找哪個檢測機構?本文將為大家詳細介紹,并附上檢測案例。
1.檢測標準
我國針對室內環境污染物檢測制定了多項國家標準,其中最具代表性的有《室內空氣質量標準》(GB/T18883—2022)和《民用建筑工程室內環境污染控制規范》(GB 50325-2020)。這些標準明確規定了室內空氣中甲醛、苯、TVOC等污染物的濃度限值,為室內環境質量的評估提供了科學依據。
《室內空氣質量標準》(GB/T 18883—2022):該標準適用于住宅與建筑物,規定了甲醛≤0.08mg/m³,苯≤0.03mg/m³,TVOC≤0.60mg/m³等限值。該標準作為人居環境健康的最低標準,是衡量房屋是否環保的根本依據。
《民用建筑工程室內環境污染控制規范》(GB 50325-2020):該標準將民用建筑工程分為I類和II類,分別規定了不同場所的污染物濃度限值。例如,I類建筑工程(如住宅、醫院等)甲醛≤0.07mg/m³,苯≤0.06mg/m³,TVOC≤0.45mg/m³;II類建筑工程(如辦公室、商店等)則略有不同。
2. 檢測要求
在進行室內環境污染物檢測時,需要遵循一定的檢測要求。例如,檢測前通常需要關閉門窗一定時間(如12小時或1小時,根據標準不同而異),以確保檢測結果的準確性。同時,房間內不應留有裝修剩余材料,溫度最好控制在23°C左右,以減少外界因素對檢測結果的影響。
室內環境污染物檢測點數的設置是確保檢測結果全面、準確的重要環節。根據相關規定,檢測點數的設置應根據房間的使用面積來確定:
房間使用面積小于50m²時,檢測點數應設為1個;
房間使用面積在50m²至100m²之間時,檢測點數應設為2個;
房間使用面積在100m²至500m²之間時,檢測點數應不少于3個;
房間使用面積在500m²至1000m²之間時,檢測點數應不少于5個。
房間使用面積 1000~3000m² 時,不少于 6 個檢測點。
房間使用面積大于 3000m² 時,每 1000m² 不少于 3 個檢測點。
此外,當房間內有 2 個及以上檢測點時,應取各點檢測結果的平均值作為該房間的檢測值。
這樣的設置可以確保在不同大小的房間內都能進行充分的檢測,從而更準確地反映室內環境污染物的整體情況。
中鋼集團鄭州金屬制品研究院股份有限公司質檢中心(簡稱中鋼國檢)作為專業的第三方檢測機構,擁有CAL、CMA、CNAS、ILAC、SCS等資質認證,在室內環境污染物檢測領域具有顯著的優勢和豐富的經驗。
1. 專業團隊與設備
中鋼國檢擁有一支高素質的技術團隊和先進的檢測設備,能夠準確、快速地檢測室內環境中的各種污染物,包括氡、甲醛、苯、氨、TVOC 等。團隊成員具備豐富的檢測經驗和專業知識,能夠為客戶提供全面、專業的檢測服務。
2. 廣泛的服務范圍
中鋼國檢的檢測服務范圍廣泛,不僅限于室內環境污染物檢測,還包括建筑材料檢測、高分子材料檢測、工程質量檢測等多個領域。在室內環境污染物檢測方面,中鋼國檢能夠為客戶提供從采樣、分析到出具檢測報告的全方位服務。
3. 公正性與權威性
作為國家金屬制品質量監督檢驗中心,中鋼國檢具有高度的公信力和權威性。其出具的檢測報告具有法律效力,能夠為客戶在房屋交易、工程驗收等方面提供有力的支持。
4. 優質服務
中鋼國檢始終秉承服務優先的原則,致力于為客戶提供優質、高效的檢測服務。在檢測過程中,中鋼國檢會嚴格按照國家標準和操作規程進行操作,確保檢測結果的準確性和可靠性。同時,中鋼國檢還會根據客戶的需求提供定制化的檢測方案,以滿足不同客戶的個性化需求。
中鋼國檢作為老牌第三方檢測機構,服務行業近40年,其擁有非常豐富的室內環境污染物檢測經驗,下面是某單位委托中鋼國檢做的室內環境污染物檢測,檢測點數設置了6個點,共委托了7項檢測項目指標,詳細內容如下:
工程部位:某站站臺
檢測對象:某站站臺
檢測目的:
中鋼集團鄭州金屬制品研究院股份有限公司受某有限責任公司委托,對某站站臺室內空氣中氡、氨、甲醛、苯、甲苯、二甲苯、總揮發性有機化合物(TVOC)濃度進行檢測。
建筑面積:1586m2
檢測數量:6 點
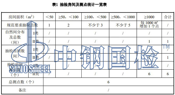
檢測房間及測點抽?。?/strong>檢測房間按照房間總數的5%抽取,每個建筑單體不得少于3間,當房間總數少于3間時,要全數檢測;檢測點按照檢測房間面積抽取,如下表:
檢測對象特征:適檢
檢測標準依據:1.GB 50325-2020《民用建筑工程室內環境污染控制標準》;
2.GB/T 18204.2-2014《公共場所衛生檢驗方法 第 2 部分:化學污染物》。
判定依據:GB 50325-2020《民用建筑工程室內環境污染控制標準》
檢測項目:1.氡,2.甲醛(AHMT 分光光度法),3.氨(靛酚藍分光光度法),4.苯,5.甲苯,6.二甲 苯,7.TVOC。
主要檢測儀器:
1.大氣采樣儀,2.智能雙路恒流大氣采樣器,3.智能環境氡測量儀,4.氣相色譜儀。
檢測方法:
1.氨檢測方法:靛酚藍分光光度法;
2.甲醛檢測方法:AHMT 分光光度法;
3.苯、甲苯、二甲苯及 TVOC 檢測方法:氣相色譜法。
檢測項目結果:

檢測結論:某站站臺工程,所測房間室內空氣中 氡、甲醛、氨、苯、甲苯、二甲苯、TVOC 濃度檢測結果均符合 GB 50325-2020《民用建筑工程室 內環境污染控制標準》的規定。
以上就是中鋼國檢根據客戶委托的樣品檢測項目結果,出具的室內環境污染物檢測報告,報告加蓋了CMA、CNAS等資質印章,具備法律效力,在中鋼國檢官網和國家質量監督局均線上可查,全國認可,用途廣泛。
綜上,室內環境污染物檢測是保障人們健康生活的重要措施。中鋼國檢是專業第三方檢測機構,提供室內環境污染物全面檢測服務,并且中鋼國檢檢測服務覆蓋全國,各個地區客戶可就近選擇檢測站和實驗室。同時,中鋼國檢支持郵寄、上門取樣和現場檢測等多個送檢方式,線上委托,檢測方便快捷,一般3-7天即可出具正規檢測報告。若您有室內環境污染物或其他檢測需求,均可隨時咨詢中鋼國檢,與工程師溝通具體的檢測樣品及檢測項目指標,并獲取優惠報價。