
在現代建筑工程中,植筋作為一種常見的結構加固方式,廣泛應用于橋梁、隧道、高層建筑、工業廠房等各類工程中。然而,植筋的質量直接關系到整個工程的安全性和使用壽命。因此,植筋拉拔試驗檢測成為確保結構安全的重要手段。那么植筋拉拔試驗檢測內容是什么?多久能出報告?有沒有權威第三方檢測機構推薦?本文將為大家詳細介紹,并附上正規植筋拉拔試驗檢測案例。
植筋拉拔試驗檢測主要是通過對已植入混凝土中的鋼筋進行拉拔測試,來驗證鋼筋與混凝土之間的粘結力。該試驗主要包括以下幾個方面的內容:
植筋材料的質量檢測: 在進行拉拔試驗前,首先需要檢查植筋材料是否符合設計和規范要求,包括鋼筋的規格、類型及植筋膠的質量。確保所有材料符合相關技術標準,是測試的前提。
植筋位置與方式的檢查: 對植筋的施工方式及位置進行核查,確保植筋的布置符合設計圖紙要求,且施工過程無偏差。
拉拔力測試: 通過施加拉拔力,測試鋼筋與混凝土的粘結強度。測試時,設備會緩慢增加拉力,直到鋼筋與混凝土分離,從而得到最終的拉拔力數值。
檢測數據分析與結果評估: 通過對試驗結果的分析,判斷鋼筋與混凝土的粘結質量是否達到標準要求。合格的試驗結果意味著植筋加固的可靠性,能夠有效支撐結構的承載力。
植筋拉拔試驗檢測通常會在完成試驗后的一到兩天內出具報告。具體時間會根據檢測的數量和實驗室的工作負荷而有所不同。一般來說:
初步結果:在試驗當天或次日可以獲得初步的檢測結果,主要用于現場施工人員或工程負責人評估工程進度。
正式報告:正式的檢測報告會在試驗結束后的1-3個工作日內完成,并提供給委托方。報告包括詳細的檢測數據、分析結果以及是否符合規范的評估。
報告中會明確指出植筋拉拔試驗的測試過程、測試標準及最終結果,為后續的施工質量把關提供依據。
植筋拉拔試驗檢測報告是評估植筋質量的重要依據。中鋼國檢作為老牌第三方檢測機構,擁有豐富的植筋拉拔試驗檢測案例,能夠為客戶提供權威、可靠的檢測報告。
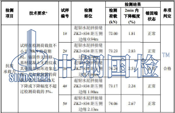
下面是某單位委托中鋼國檢做的植筋拉拔試驗檢測,檢測數量有5根,詳細內容如下:
檢測對象:植筋
規格型號:Ф16
檢測對象數量:5 根
檢測對象特征:已植入混凝土
檢測依據:JGJ 145-2013《混凝土結構后錨固技術規程》
判定依據:客戶要求
檢測項目:抗拔承載力
完成期限:5 天
以上就是中鋼國檢根據客戶委托的樣品檢測項目結果,出具的植筋拉拔試驗檢測報告,報告加蓋了CMA、CNAS等資質印章,具備法律效力,在中鋼國檢官網和國家質量監督局均線上可查,全國認可,用途廣泛。
中鋼國檢是中國知名的第三方檢測機構,隸屬于中鋼集團,擁有CMA、CNAS、ILAC等國際國內資質認證,具備強大的檢測能力和豐富的檢測經驗。其檢測設備先進,配備2500KN大噸位松弛試驗機、動態壓剪試驗機等高端設備,確保檢測數據的精確性。
中鋼國檢的服務范圍廣泛,涵蓋植筋、錨桿、化學錨栓、隧道風機、邊坡和隧道支護等多種檢測項目,覆蓋橋梁、核電站、隧道等復雜工程。其檢測流程規范,嚴格按照國家標準《JGJ 145-2013 混凝土結構后錨固技術規程》進行操作。
中鋼國檢在全國設有10多個子公司和34個辦事處,檢測服務遍布全國,能夠為客戶提供快速、高效的檢測服務。對于檢測量較少的情況,中鋼國檢提供起步價服務,確??蛻裟軌蛞暂^低的成本獲得高質量的檢測結果。
綜上,植筋拉拔試驗檢測是建筑工程質量與安全的重要保障。中鋼國檢是專業第三方檢測機構,提供全面檢測服務,并且中鋼國檢檢測服務覆蓋全國,各個地區客戶可就近選擇檢測站和實驗室。同時,中鋼國檢支持郵寄、上門取樣和現場檢測等多個送檢方式,線上委托,檢測方便快捷,一般3-7天即可出具正規檢測報告。若您有或其他檢測需求,均可隨時咨詢中鋼國檢,與工程師溝通具體的檢測樣品及檢測項目指標,并獲取優惠報價。