
陶瓷材料作為一種重要的傳統工業材料,廣泛應用于建筑、家居、電子、醫療、汽車等多個領域。陶瓷的質量直接影響到產品的使用性能、安全性和壽命,因此,陶瓷檢測作為確保陶瓷材料質量的重要環節,已成為陶瓷生產和使用中的關鍵步驟。那么陶瓷檢測指標大全有哪些?陶瓷檢測報告哪里可以做?如何辦理全國認可的陶瓷CMA、CNAS檢測報告?本文將為大家詳細介紹,并附上正規陶瓷檢測案例。
陶瓷檢測涵蓋了一系列復雜的測試項目,旨在全面評估陶瓷產品的性能和質量。以下是陶瓷檢測的主要指標:
吸水率:測試陶瓷的吸水性能,評估其抗滲性能。
破壞強度:測定陶瓷在受到外力時的抗破裂能力。
斷裂模數:評估陶瓷在受到外力時的斷裂強度。
耐磨性:測試陶瓷的耐磨性能,確保其耐用性。
線性熱膨脹系數:評估陶瓷在受熱時的線性膨脹程度。
抗熱震性:測試陶瓷在受到熱沖擊時的抗裂性能。
有釉磚抗釉裂性:評估有釉陶瓷在受到外力時的抗裂性能。
抗凍性:測試陶瓷在低溫環境下的抗凍性能。
地磚摩擦系數:評估地磚在濕滑條件下的摩擦系數,確保安全。
濕膨脹:測試陶瓷在濕態下的膨脹程度。
小色差:評估陶瓷在不同光源下的色差,確保顏色一致性。
抗沖擊性:測試陶瓷在受到外力時的抗沖擊性能。
耐污染性:評估陶瓷的耐污染性能,確保清潔方便。
抗化學腐蝕性:測試陶瓷在受到化學腐蝕時的抗腐蝕性能。
鉛和鎘的溶出量:評估陶瓷在高溫或酸性條件下的鉛和鎘溶出量,確保健康安全。
這些檢測指標共同構成了陶瓷產品質量和安全性的全面評估體系。
中鋼國檢是質檢總局首批批準成立的第三方公正性技術檢驗機構,在陶瓷檢測方面具有諸多優勢:
資質齊全:擁有 CAL、CMA、CNAS、ILAC 等多項資質認證,其出具的檢測報告具有權威性和法律效力,可在全國乃至國際上得到廣泛認可。
檢測項目全面:可以對陶瓷的物理性能、化學性能、力學性能、熱學性能、電學性能等進行全面檢測,包括但不限于外觀檢測、尺寸測量、硬度測試、抗壓強度測試、抗彎強度測試、放射性檢測、化學成分分析、耐酸堿性測試等。例如,在建筑陶瓷檢測中,可依據 GB/T 4100-2015《陶瓷磚》、GB 6566-2010《建筑材料放射性核素限量》等標準,對陶瓷磚的尺寸和表面質量、吸水率、斷裂模數和破壞強度、放射性核素限量等項目進行檢測。
技術設備先進:配備了高精度的檢測儀器和設備,如先進的光譜分析儀、萬能試驗機、硬度計、熱分析儀、電性能測試儀等,能夠滿足各種陶瓷材料和制品的檢測需求,確保檢測結果的準確性和可靠性。
專業團隊:擁有一支經驗豐富、專業技術能力強的檢測團隊,團隊成員熟悉陶瓷檢測的標準和方法,能夠為客戶提供專業的檢測服務和技術咨詢,解答客戶在陶瓷檢測過程中遇到的問題,并根據檢測結果為客戶提供合理的建議和解決方案。
服務優質:在全國范圍內開辦了十多個分公司,34 處辦事處,能夠及時響應客戶的需求。支持郵寄、上門取樣和現場檢測等多種送檢方式,方便客戶送檢樣品。線上委托流程簡便,一般 3-7 天即可出具正規檢測報告,檢測效率高。同時,收費標準較為公開透明合理
中鋼國檢作為老牌第三方檢測機構,服務行業近40年,其擁有非常豐富的陶瓷檢測經驗,下面是某單位委托中鋼國檢做的陶瓷磚檢測,客戶送檢了15塊樣品,共委托了14項檢測項目指標,詳細內容如下:
工程部位:房建裝飾裝修工程
樣品名稱:陶瓷磚
規格型號:(400×400×8.5)mm
樣品數量:15 塊
代表數量:10000 片(1600㎡)
檢測標準依據:1.GB/T 3810.14-2016《陶瓷磚試驗方法 第 14 部分:耐污染性的測定》;
2.GB/T 3810.13-2016《陶瓷磚試驗方法 第 13 部分:耐化學腐蝕性的測定》;
3.GB 6566-2010《建筑材料放射性核素限量》;
4.GB/T 3810.2-2016《陶瓷磚試驗方法 第 2 部分:尺寸和表面質量的檢驗》;
5.GB/T 3810.3-2016《陶瓷磚試驗方法 第 3 部分:吸水率、顯氣孔率、表觀相對密 度和容重的測定》;
6.GB/T 3810.4-2016《陶瓷磚試驗方法 第 4 部分:斷裂模數和破壞強度的測定》;
7.GB/T 3810.7-2016《陶瓷磚試驗方法 第 7 部分:有釉磚表面耐磨性的測定》;
8.GB/T 4100-2015《陶瓷磚》。
判定依據:1.GB/T 4100-2015《陶瓷磚》;
2.GB 6566-2010《建筑材料放射性核素限量》。
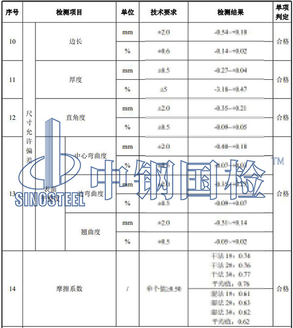
檢測項目:1.耐污染性,2.抗化學腐蝕性:耐家庭化學試劑和游泳池鹽類,3.抗化學腐蝕性:耐高 濃度酸和堿,4.抗化學腐蝕性:耐低濃度酸和堿,5.放射性核素限量,6.尺寸:厚度, 7.尺寸:直角度,8.尺寸:表面平整度,9.尺寸:邊長,10.吸水率,11.破壞強度,12. 斷裂模數,13.耐磨性,14.摩擦系數。
主要儀器設備:1.陶瓷磚摩擦系數測定儀(檢 H464);2.陶瓷磚平整度測定儀(檢 H494);3.厚度測定儀 (檢 H814);4.電熱恒溫鼓風干燥箱(檢 C112);5.TXY 數顯式陶瓷吸水率測定儀(檢 H486);6.釉面磚耐磨試驗儀(檢 H481);7.低本底多道 γ 能譜儀(檢 C011);8.電熱鼓風干 燥箱(檢 H618);9.微機控制電子萬能試驗機(檢 H828);10.電子天平(檢 H831);11.電子 天平(檢 C320);12.電子天平(檢 C321)等。

檢測結論:送檢樣品所檢項目中耐磨性、抗化學腐蝕性:耐高濃度酸和堿、耐低濃度酸和堿只給實測結果不判定,其余檢測項目符合 GB/T 4100-2015 及 GB 6566-2010 標準要求。
以上就是中鋼國檢根據客戶委托的樣品檢測項目結果,出具的陶瓷磚檢測報告,報告加蓋了CMA、CNAS等資質印章,具備法律效力,在中鋼國檢官網和國家質量監督局均線上可查,全國認可,用途廣泛。
綜上,陶瓷檢測是確保陶瓷產品質量和安全性的重要手段。中鋼國檢是專業第三方檢測機構,提供陶瓷全面檢測服務,并且中鋼國檢檢測服務覆蓋全國,各個地區客戶可就近選擇檢測站和實驗室。同時,中鋼國檢支持郵寄、上門取樣和現場檢測等多個送檢方式,線上委托,檢測方便快捷,一般3-7天即可出具正規檢測報告。若您有陶瓷或其他檢測需求,均可隨時咨詢中鋼國檢,與工程師溝通具體的檢測樣品及檢測項目指標,并獲取優惠報價。