
氡是一種放射性氣體,主要來源于土壤中的放射性物質衰變,對人體健康具有嚴重威脅。因此,進行土壤氡濃度檢測,不僅是為了保護建筑安全,更是為了維護居民的健康。那么土壤氡濃度檢測收費標準是多少?土壤氡濃度檢測找哪個部門?本文將為大家詳細介紹,并附上正規土壤氡濃度檢測案例。
在進行土壤氡濃度檢測時,選擇一家專業、可靠的檢測機構至關重要。中鋼國檢作為國家質檢局首批批準成立的第三方公正性技術檢驗機構,擁有CAL、CMA、CNAS、ILAC、SCS等資質認證,并且在土壤氡濃度檢測領域具有豐富的經驗和先進的技術。
中鋼國檢的服務范圍廣泛,涵蓋了土壤氡濃度、土壤表面氡析出率等常規檢測項目。中鋼國檢擁有先進的檢測設備和技術,其專業團隊可以提供高質量的檢測服務,并出具權威的檢測報告。
土壤氡濃度檢測的收費標準因地區、檢測方法、樣本量及檢測機構的不同而有所差異。一般來說,收費標準大致可以分為以下幾類:
基礎檢測:對于面積較小、地質條件相對簡單的區域,土壤氡濃度的基礎檢測費用可能在幾百元。這類檢測適用于小型項目或居民區的初步環境評估。
詳細檢測:若需對地質結構復雜、土壤條件特殊的區域進行深入研究和測量,費用會相應提升,可能在數百到上千元元甚至更高。這類檢測通常包括采樣、運輸、實驗室分析等全套流程,確保檢測結果的準確性和可靠性。
長期監測與特殊處理:對于需要長期監測或出具具有法律效力的檢測報告的項目,收費標準可能會包含額外的服務費,那么價格會相對高點,可能會達到數千元到上萬元。
此外,一些檢測機構還會根據檢測面積制定不同的收費標準。例如,對于單次土壤氡檢測,面積小于100平方米、面積在100-500平方米之間、面積在500-1000平方米之間、面積大于1000平方米的均有不同的收費標準。這些費用通常已經包含了實驗室檢測、人員費用及報告費用。
因此,土壤氡濃度檢測收費標準需要根據實際情況來定,若您想了解適合您檢測需求的檢測價格,可以隨時咨詢中鋼國檢,與工程師溝通具體的檢測樣品及檢測項目指標,然后就能獲取詳細的檢測方案及報價清單了。另外,值得一提的是中鋼國檢作為國家級檢測單位,除了檢測實力和服務優勢大家有目共睹外,其收費標準較為公開透明合理,大家可放心選擇中鋼國檢進行檢測。
中鋼國檢作為老牌第三方檢測機構,服務行業近40年,其擁有非常豐富的土壤氡濃度檢測經驗,下面是某單位委托中鋼國檢做的土壤氡濃度檢測,檢測樣品有16處,中鋼國檢采用少量抽氣-靜電收集-射線探測器法完成了檢測,并出具了土壤氡濃度檢測報告,詳細內容如下:
工程部位:某站房及相關工程
樣品名稱:土壤
樣品數量:16 處
樣品特征:現場已滿足
檢測標準依據:GB 50325-2020《民用建筑工程室內環境污染控制標準》
判定依據:GB 50325-2020《民用建筑工程室內環境污染控制標準》
檢測項目:1.土壤中氡濃度。
檢測條件:天氣:晴;溫度:30℃~40℃;相對濕度:50%~80%。
檢測儀器:1.智能環境氡測量儀 2.智能環境氡測量儀 3.溫濕度表
檢測方法:少量抽氣-靜電收集-射線探測器法
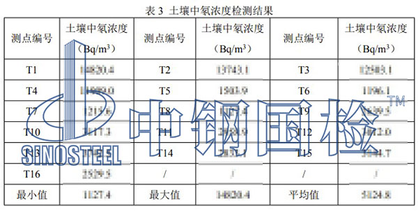
土壤氡濃度檢測項目結果:
檢測結論:對某站站房及相關工程站房土壤中氡濃度進行檢測,檢測區域共布設 16個測點,檢測濃度范圍值和平均值結果,該工程項目各測點土壤中氡濃度及土壤中氡濃度平均值均小于20000 Bq/m3,可不采取防氡工程措施。
以上就是中鋼國檢根據客戶委托的樣品檢測項目結果,出具的土壤氡濃度檢測報告,報告加蓋了CMA、CNAS等資質印章,具備法律效力,在中鋼國檢官網和國家質量監督局均線上可查,全國認可,用途廣泛。
綜上,土壤氡濃度檢測是保障建筑安全和居民健康的重要措施。中鋼國檢是專業第三方檢測機構,提供土壤氡濃度全面檢測服務,并且中鋼國檢檢測服務覆蓋全國,各個地區客戶可就近選擇檢測站和實驗室。同時,中鋼國檢支持郵寄、上門取樣和現場檢測等多個送檢方式,線上委托,檢測方便快捷,一般3-7天即可出具正規檢測報告。若您有土壤氡濃度或其他檢測需求,均可隨時咨詢中鋼國檢,與工程師溝通具體的檢測樣品及檢測項目指標,并獲取優惠報價。