
隨著社會的快速發展和城市化進程的加速,防火安全問題日益受到人們的關注。防火涂料作為一種重要的防火材料,其適應性檢測顯得尤為重要。那么防火涂料的適應性檢測標準有哪些?如何獲取權威的防火涂料適應性第三方試驗報告?本文將為大家詳細介紹。
一般來說,防火涂料的適應性檢測需要符合相關的國家標準或行業標準,例如GB/T 34681-2017《色漆和清漆 涂料配套性和再涂性的測定》、GB 14907-2018《鋼結構防火涂料》等。這些標準規定了防火涂料的適應性檢測的要求,以確保其在火災發生時的有效性。
防火涂料適應性檢測一般由專業第三方檢測機構進行,如老牌國家級檢測單位-中鋼國檢,其擁有CMA、CNAS、ILAC等多項資質證書,具有強大的技術實力和全面的檢測能力。在防火涂料的適應性檢測方面,中鋼國檢具有以下優勢:
技術實力:中鋼國檢擁有一支技術力量雄厚的專業檢測團隊,熟悉各種防火涂料的性能特點和應用場景,能夠提供專業的檢測服務。
檢測范圍:中鋼國檢的檢測范圍廣泛,涵蓋了金屬制品、工程原材料及構配件、公路工程、軌道交通、橋梁工程、隧道工程、人防工程、鋼結構工程等多個領域。在防火涂料方面,中鋼國檢能夠對不同類型的防火涂料進行適應性檢測,包括但不限于鋼結構防火涂料、飾面型防火涂料、混凝土結構防火涂料等。
檢測方法:中鋼國檢擁有先進的檢測設備和儀器,能夠對防火涂料的各項性能進行全面、準確的測量。同時,中鋼國檢還采用多種檢測方法,如ICP、氰化物發生-原子熒光、直讀光譜等,以確保檢測結果的準確性和可靠性。
質量保障:中鋼國檢在檢測過程中嚴格遵循相關的質量管理體系和國家標準,確保檢測結果的準確性和可靠性。同時,中鋼國檢還建立了完善的質量追溯體系,對檢測過程中的每一個環節進行嚴格的把控,確保檢測結果的準確性和可追溯性。
中鋼國檢作為老牌第三方檢測機構,服務行業近40年,其擁有非常豐富的防火涂料適應性檢測經驗,下面是某單位委托中鋼國檢做的防火涂料檢測,客戶送檢了防火涂料5kg、防火涂料配套膠、中間漆和配套固化劑各2kg樣品,共委托了3項檢測項目指標,其中就包括防火涂料適應性檢測指標,詳細內容如下:
工程部位:2#樓鋼結構
樣品名稱:室內非膨脹型鋼結構防火涂料
規格型號:GT-NSF-Fp3.00-DH02
樣品數量:防火涂料 5kg、防火涂料配套膠2kg,中間漆和配套固化劑各2kg
代表數量:500t
樣品特征:防火涂料:粉狀無結塊,其他密封完好
檢測類別:委托檢測
檢測標準依據:1.GB/T 34681-2017《色漆和清漆 涂料配套性和再涂性的測定》;
2.GB 14907-2018《鋼結構防火涂料》。
判定依據:1.GB 14907-2018《鋼結構防火涂料》;
2.技術要求。
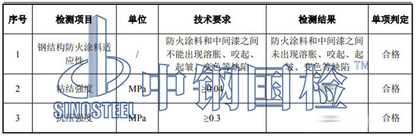
檢測項目:1.鋼結構防火涂料適應性,2.粘結強度,3.抗壓強度。
主要儀器設備:1.老化試驗箱(檢 G106);2.電子天平(檢 G345);3.涂層測厚儀(檢 G857);4.微機控制電 子萬能試驗機(檢 G025);5.微機控制高低溫電子萬能試驗機(檢 G026)。
檢測項目結果:

檢測結論:送檢樣品所檢項目符合 GB 14907-2018 標準及技術要求。
以上就是中鋼國檢根據客戶委托的樣品檢測項目結果,出具的防火涂料適應性檢測報告,報告加蓋了相關資質印章,具備法律效力,在中鋼國檢官網和國家質量監督總局均線上可查,全國認可,用途廣泛。
綜上所述,防火涂料的適應性檢測是確保其有效性和可靠性的重要環節。中鋼國檢作為專業的檢測機構,具有雄厚的實力和豐富的經驗,能夠為客戶提供全面的防火涂料適應性檢測服務。并且中鋼國檢檢測服務覆蓋全國,各個地區客戶可就近選擇檢測站和實驗室。同時,中鋼國檢支持郵寄、上門取樣和現場檢測等多個送檢方式,線上委托,檢測方便快捷,一般3-7天即可出具正規檢測報告。若您有防火涂料適應性或其他檢測需求,均可隨時咨詢中鋼國檢,與工程師溝通具體的檢測樣品及檢測項目指標,并獲取優惠報價。