
填縫劑作為一種廣泛應用于建筑、裝修行業的材料,其質量的好壞直接關系到建筑物的美觀度和耐用性。因此,對填縫劑進行檢測顯得尤為重要。那么填縫劑檢測報告有效期是幾年?如何獲取權威的填縫劑檢測報告文件?本文將為大家詳細介紹。
填縫劑檢測報告的有效期通常取決于多個因素,包括檢測標準、產品特性、使用環境等。一般而言,大多數填縫劑檢測報告的有效期在一年至三年之間。然而,需要注意的是,報告的有效期并非一成不變,它可能受到產品更新、標準變化等因素的影響。因此,在使用填縫劑檢測報告時,建議定期關注相關標準的更新情況,并根據實際情況調整報告的有效期。
填縫劑檢測一般由專業第三方檢測機構進行,如老牌國家級檢測單位-中鋼國檢,是質檢總局首批批準成立的第三方公正性技術檢驗機構,其在建筑材料檢測方面十分權威。中鋼國檢現擁有檢測資質認定授權證書CAL、檢驗機構資質認定證書CMA、實驗室認可證書CNAS、國際實驗室認可合作組織ILAC、橋隧專項、特種設備檢驗檢測資質、安全生產檢測檢驗機構資質等證書。目前已經深耕行業近40年,在行業內享有良好的聲譽,很多單位指定要中鋼國檢出具的檢測報告。
中鋼國檢作為國內知名的檢測機構,具有豐富的填縫劑檢測經驗和技術實力。該機構擁有先進的檢測設備和專業的檢測團隊,能夠為客戶提供全面、準確的填縫劑檢測服務。在中鋼國檢進行檢測,客戶可以獲得權威的檢測報告,報告均帶有CMA標識,保證檢測結果的權威性,為產品質量提供有力保障。
填縫劑檢測報告文件是檢測機構根據檢測結果出具的一份正式文件,它包含了產品的各項性能指標、檢測方法、檢測結論等信息。報告文件對于客戶來說具有重要的參考價值,可以幫助客戶了解產品的性能特點和質量狀況。
下面就是某單位委托中鋼國檢做的填縫劑檢測,客戶送檢了2支750毫升的樣品,共委托了4項檢測項目指標,詳細內容如下:
工程部位:室內門、入戶門等
樣品名稱:聚氨酯泡沫填縫劑
規格型號:聚氨酯
樣品數量:2支750mL
代表數量:300件
樣品特征:密封完好
檢測類別:委托檢測
檢測標準依據:GB 18583-2008《室內裝飾裝修材料 膠粘劑中有害物質限量》
判定依據:GB 18583-2008《室內裝飾裝修材料 膠粘劑中有害物質限量》
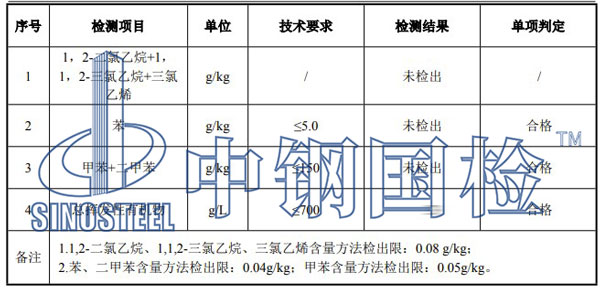
檢測項目:1.1,2-二氯乙烷+1,1,2-三氯乙烷+三氯乙烯,2.苯,3.甲苯+二甲苯,4.總揮發性有機物。
檢測項目結果:
檢測結論:送檢樣品所檢項目中 1,2-二氯乙烷+1,1,2-三氯乙烷+三氯乙烯項目只給實測結果不判定,其余檢測項目符合 GB 18583-2008 標準要求。
以上就是中鋼國檢根據客戶委托的樣品檢測項目結果,出具的填縫劑第三方檢測報告,報告加蓋了相關資質印章,具備法律效力,在中鋼國檢官網和國家質量監督總局均線上可查,全國認可,用途廣泛。
總之,填縫劑檢測是保障產品質量和提升市場競爭力的重要手段。中鋼國檢是專業第三方檢測機構,提供填縫劑全面檢測服務,并且中鋼國檢檢測服務覆蓋全國,各個地區客戶可就近選擇檢測站和實驗室。同時,中鋼國檢支持郵寄、上門取樣和現場檢測等多個送檢方式,線上委托,檢測方便快捷,一般3-7天即可出具正規檢測報告。若您有填縫劑或其他檢測需求,均可隨時咨詢中鋼國檢,與工程師溝通具體的檢測樣品及檢測項目指標,并獲取優惠報價。