
在工程結構中,螺栓連接件承擔著重要的連接和支撐作用,其性能的穩定性和可靠性對于結構的安全運行至關重要。螺栓拉拔試驗是用于測試螺栓連接件的抗拉性能和安全性能的一種重要試驗方法。那么廣州哪里能做螺栓拉拔試驗?本文將為大家詳細介紹。
螺栓拉拔試驗是一種通過施加拉力來測試螺栓連接強度和可靠性的方法。該試驗可以模擬實際工作條件下的受力情況,評估螺栓在承受拉力時的性能表現。通過螺栓拉拔試驗,可以了解螺栓的抗拉強度、屈服點、延伸率等關鍵指標,從而判斷其是否符合設計要求和使用安全標準。
螺栓拉拔試驗一般由專業第三方檢測機構進行,廣州有不少能做螺栓拉拔試驗的機構,這些檢測機構實力不一,掌握的檢測技術和獲取的授權范圍不同,出具的檢測報告社會認可度不等,因此在選擇廣州螺栓拉拔試驗機構的時候要謹慎,綜合考慮檢測機構資歷、檢測實力、行業聲譽、服務和價格優勢等因素,這里為大家推薦老牌國家級檢測機構中鋼國檢。
中鋼國檢是質檢總局首批批準成立的第三方公正性技術檢驗機構,其在螺栓拉拔試驗方面十分權威。中鋼國檢現擁有檢測資質認定授權證書CAL、檢驗機構資質認定證書CMA、實驗室認可證書CNAS、國際實驗室認可合作組織ILAC、橋隧專項、特種設備檢驗檢測資質、安全生產檢測檢驗機構資質等證書。目前已經深耕行業近40年,在行業內享有良好的聲譽,很多單位指定要中鋼國檢出具的檢測報告。
在廣州地區,中鋼國檢作為國內專業的檢測機構,在螺栓拉拔試驗領域具有豐富的經驗和專業的技術實力。以下是中鋼國檢在螺栓拉拔試驗方面的優勢:
專業的技術團隊:中鋼國檢擁有一支專業的技術團隊,具備深厚的理論知識和實踐經驗。他們能夠根據客戶的需求和標準要求,制定科學合理的試驗方案,確保試驗結果的準確性和可靠性。
先進的檢測設備:中鋼國檢配備了先進的檢測設備和儀器,能夠滿足各種類型和規格的螺栓拉拔試驗需求。這些設備具有高精度、高穩定性等特點,能夠保證試驗數據的準確性和可重復性。
嚴格的質量控制:中鋼國檢在試驗過程中嚴格遵守相關標準和規范,確保試驗結果的準確性和公正性。同時,他們還建立了完善的質量控制體系,對試驗過程進行全面監控和管理,確保數據的可追溯性和可靠性。
優質的服務:中鋼國檢注重客戶服務體驗,提供全方位的服務支持。他們能夠根據客戶的需求提供個性化的試驗方案,并在試驗過程中及時與客戶溝通交流,確保試驗的順利進行。同時,他們還為客戶提供詳細的試驗報告和數據分析,幫助客戶更好地了解螺栓的性能和質量狀況。
中鋼國檢目前已經形成了成熟的檢測流程:檢測咨詢-樣品送檢-在線委托-繳費付款-檢測試驗-出具報告-售后服務
中鋼國檢不僅服務廣州地區客戶,其檢測服務覆蓋全國,目前在全國范圍內開辦了十多個分公司,34處辦事處,大家可以就近選擇檢測站和實驗室,也可以直接郵寄送檢到中鋼國檢總部河南鄭州,除此之外,中鋼國檢還支持上門取樣和現場檢測,線上委托,檢測周期短,一般3-7天即可出具正規檢測報告。
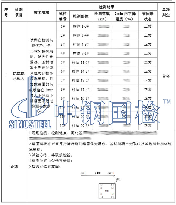
中鋼國檢作為老牌螺栓拉拔檢測機構,服務行業近40年,其擁有非常豐富的螺栓拉拔試驗經驗,下面就是某施工單位委托中鋼國檢做的橋梁預埋螺栓檢測,檢測數量有12根,采用非破損檢驗方法,詳細內容如下:
工程部位:某特大橋段左側
樣品名稱:橋梁預埋螺栓
規格型號:M30
樣品數量:12根
代表數量:1196根
檢測類別:委托檢測
檢測標準依據:JGJ 145-2013《混凝土結構后錯固技術規程》
判定依據:技術要求。
檢測項目:抗拉拔承載力
檢測項目結果:
檢測結論:委托樣品所檢項目符合技術要求。
以上就是中鋼國檢根據客戶委托的樣品檢測項目結果,出具的螺栓拉拔檢測報告,報告加蓋了相關資質印章,具備法律效力,在中鋼國檢官網和國家質量監督總局均線上可查,全國認可,用途廣泛。
綜上,螺栓拉拔試驗是確保螺栓安全性和可靠性的重要手段,選擇專業的檢測機構進行試驗至關重要。在廣州地區,中鋼國檢作為首選的檢測機構,具備專業的技術團隊、先進的檢測設備、嚴格的質量控制和優質的服務支持,能夠為客戶提供準確、可靠的螺栓拉拔試驗結果。如果您需要進行螺栓拉拔試驗,不妨選擇中鋼國檢作為您的合作伙伴,共同保障產品的質量和安全。歡迎大家隨時與中鋼國檢工程師溝通具體的檢測樣品及檢測項目指標,并獲取優惠報價。