
碳纖維布是一種輕質高強度的纖維材料,廣泛應用于建筑工程、航空航天、汽車制造、船舶建造等領域。為了確保碳纖維布的質量和性能,進行碳纖維布檢測是非常重要的。本文將介紹碳纖維布檢測的代表數量、注意事項以及檢測報告的有效期,并附上碳纖維布正規檢測報告。
首先,碳纖維布檢測的代表數量。由于碳纖維布通常以卷形或片狀出售,檢測時需要從整個卷或片中取樣進行測試。為了確保測試結果的準確性和代表性,通常會根據國際標準或行業規范,確定取樣的數量和位置。取樣數量的多少取決于碳纖維布的尺寸和用途,一般來說,應該保證取樣數量足夠大,能夠代表整個批次的碳纖維布。
選取合適的檢測方法:碳纖維布檢測包括多種方法,如外觀檢測、力學性能檢測、耐候性能檢測等。根據實際應用場景和檢測需求,選擇合適的檢測方法是保證檢測結果準確性的關鍵。
遵循相關標準:碳纖維布檢測應遵循國家和行業的相關標準,以確保檢測結果的規范性和可比性。
檢測環境控制:碳纖維布檢測過程中,環境因素如溫度、濕度等可能對檢測結果產生影響。因此,應嚴格控制檢測環境,確保其符合相關要求。
檢測人員:碳纖維布檢測需要由專業技術人員進行操作,以確保檢測過程的規范性和準確性。如專業第三方檢測機構中鋼國檢,擁有非常豐富的碳纖維布檢測經驗,熟練掌握碳纖維布檢測技術和方法。
碳纖維布檢測報告的有效期。碳纖維布檢測報告是對碳纖維布質量和性能的評估結果的記錄和總結。根據行業規范和要求,檢測報告通常有一定的有效期限。有效期的長短取決于碳纖維布的用途和要求,一般來說,有效期一般為一年。在有效期內,可以使用該檢測報告作為參考和依據。過期的檢測報告可能不再具有參考價值,需要重新進行檢測。
碳纖維布檢測報告一般需要委托專業第三方檢測機構,如老牌國企檢測單位中鋼國檢,是質檢總局首批批準成立的第三方公正性技術檢驗機構,其在碳纖維布檢測方面十分權威。中鋼國檢現擁有檢測資質認定授權證書CAL、檢驗機構資質認定證書CMA、實驗室認可證書CNAS、國際實驗室認可合作組織ILAC、橋隧專項、特種設備檢驗檢測資質、安全生產檢測檢驗機構資質等證書。目前已經深耕行業近40年,在行業內享有良好的聲譽,很多單位指定要中鋼國檢出具的檢測報告。
中鋼國檢作為老牌檢測單位,服務行業近40年,其擁有非常豐富的碳纖維布檢測經驗,下面就是某施工單位委托中鋼國檢做的碳纖維布檢測,客戶送檢了3平方米的碳纖維布和配套用膠A、B組分各2kg,共委托了7項檢測項目指標,詳細內容如下:
工程部位:站房梁板碳纖維布加固
樣品名稱:碳纖維布
規格型號:高強Ⅰ級碳纖維布300g/㎡
樣品數量:碳纖維布3㎡,配套用膠A、B組分各2kg
代表數量:6000m³
樣品特征:碳纖維布未見明顯外觀缺陷,配套用膠密封完好
檢測類別:委托檢測
檢測標準依據:
1.GB 50728-2011《工程結構加固材料安全性鑒定技術規范》;
2.GB/T 9914.3-2013《增強制品試驗方法第3部分:單位面積質量的測定》;
3.GB/T 3354-2014《定向纖維增強聚合物基復合材料拉伸性能試驗方法》。
判定依據:GB 50728-2011《工程結構加固材料安全性鑒定技術規范》
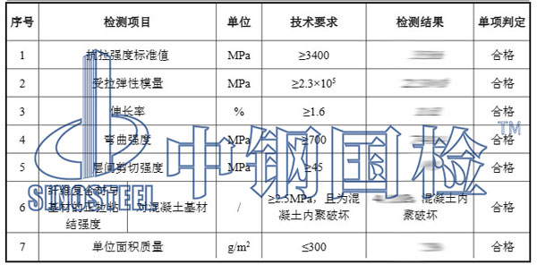
檢測項目:1.層間剪切強度,2.纖維復合材與基材的正拉粘結強度:對混凝土基材,3. 單位面積質量,4.抗拉強度標準值,5.伸長率,6.受拉彈性模量,7.彎曲強度。
檢測項目結果:
檢測結論:送檢樣品所檢項目符合GB 50728-2011標準要求。
以上就是中鋼國檢根據客戶委托的樣品檢測項目結果,出具的碳纖維布檢測報告,報告加蓋了相關資質印章,具備法律效力,在中鋼國檢官網和國家質量監督總局均線上可查,全國認可,用途廣泛。
綜上,中鋼國檢是專業第三方檢測機構,提供全面的碳纖維布檢測服務,并且中鋼國檢檢測范圍覆蓋全國,各個地區客戶可就近選擇檢測站和實驗室。同時,中鋼國檢支持郵寄、上門取樣和現場檢測等多個送檢方式,線上委托,檢測方便快捷,一般3-7天即可出具正規檢測報告。若您有碳纖維布或其他檢測需求,均可隨時咨詢中鋼國檢,與工程師溝通具體的檢測樣品及檢測項目指標,并獲取優惠報價。