
抗震阻尼器作為重要的結構抗震裝置,在保護建筑物免受地震影響方面發揮著關鍵作用。為了確保抗震阻尼器的性能和穩定性,常常需要對其進行檢測,那么抗震阻尼器檢測項目有哪些?檢測標準依據有哪些,有沒有權威的抗震阻尼器第三方檢測單位推薦?本文將詳細為大家講解。
力學檢測,抗震性能檢測,質量檢測,使用壽命檢測,動態響應檢測,指標檢測,電液伺服疲勞試驗檢測,耐久性檢測,動力往復加載檢測,出廠檢測,性能檢測,持續拉壓阻力檢測,負載檢測,扭力檢測,剛度檢測,阻尼力度檢測,阻尼效果檢測,翻轉檢測,靜態檢測,扭矩檢測,動態檢測,疲勞強度檢測,動載檢測,拉壓疲勞檢測,極限位移檢測,屈曲約束檢測,粘彈性檢測,粘滯特性檢測,耗能檢測,響應時間檢測,滯回曲線檢測,壽命檢測等。
在進行抗震阻尼器檢測時,選擇合適的第三方檢測單位是非常重要的。綜合考慮檢測機構的權威性、檢測資歷、檢測實力、行業聲譽,服務和價格優勢等因素,那么為大家推薦專業第三方檢測機構-中鋼國檢。
中鋼國檢是老牌國企檢測單位,是質檢總局首批批準成立的第三方公正性技術檢驗機構,至今已經服務行業近40年,在行業內享有良好的聲譽,很多單位指定要中鋼國檢出具的檢測報告,報告具有很高的社會認可度。其在抗震阻尼器檢測方面具有如下優勢:
1. 行業背景和資源優勢:中鋼國檢作為國家級檢測單位,具備雄厚的技術實力和資源優勢。其在材料科學、工程結構和抗震技術等領域積累了豐富的經驗,能夠為抗震阻尼器的檢測提供全面支持。
2. 專業的技術團隊:中鋼國檢擁有一支經驗豐富、高素質的技術團隊,包括多名工程師和技術人員。他們具備系統化的培訓和專業化的技術能力,能夠準確、可靠地進行抗震阻尼器的檢測和評估工作。
3. 先進的檢測設備和設施:中鋼國檢具備先進的檢測設備和設施,包括材料測試儀器、結構性能測試設備等。這些設備和設施能夠提供高精度和高穩定性的測試數據,確保抗震阻尼器檢測的準確性和可靠性。
4. 資質認可和合規性:中鋼國檢擁有檢測資質認定授權證書CAL、檢驗機構資質認定證書CMA、實驗室認可證書CNAS等,通過選擇中鋼國檢進行抗震阻尼器檢測,可以確保檢測過程和結果符合國家和行業標準的要求。
5. 可靠的檢測報告和建議:中鋼國檢在檢測完成后會提供詳盡的檢測報告,包括抗震阻尼器的性能數據、使用狀態評估以及維護建議等。檢測報告在中鋼國檢官網和國家質量監督總局線上均可查,全國認可。
DINEN1751-1999建筑通風.通風的終端設備.阻尼器和閥門的空氣動力學試驗
GB/T14527-2007復合阻尼隔振器和復合阻尼器
HB7743-2004直升機槳葉擺振阻尼器通用規范
JB/T6801-1993壓力表阻尼器技術條件
JG/T209-2012建筑消能阻尼器
JT/T926-2014橋梁用黏滯流體阻尼器
中鋼國檢深耕行業近40年,接到大量抗震阻尼器的檢測委托,下面就是某施工單位委托中鋼國檢做的抗震阻尼器檢測報告,詳細內容如下:
工程部位:3#、4#住院樓
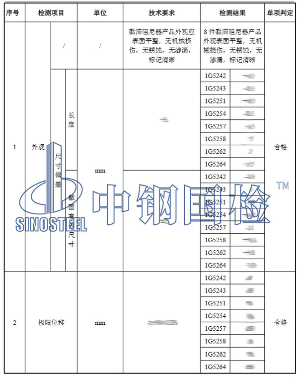
樣品名稱:粘滯阻尼器
樣品數量:8件
代表數量:36件
檢測類別:委托檢測
檢測標準依據:1.JG/T 209-2012《建筑消能阻尼器》。
判定依據:JG/T 209-2012《建筑消能阻尼器》
檢測項目:1.外觀,2.極限位移,3.最大阻尼力,4.阻尼系數,5.阻尼指數,6.滯回曲線。
檢測部分項目結果:
檢測結論:送檢樣品所檢項目符合JG/T 209-2012標準要求。
以上就是中鋼國檢根據客戶委托的抗震阻尼器檢測項目結果,出具的抗震阻尼器檢測報告,報告加蓋了相關資質印章,具備法律效力,全國認可,用途廣泛。
綜上,中鋼國檢是專業的第三方檢測單位,提供抗震阻尼器全項目檢測服務,若您有抗震阻尼器檢測需求,歡迎隨時咨詢中鋼國檢,于工程師溝通具體的檢測項目指標,并獲取優惠報價。另外,值得一提的是中鋼國檢作為大型國企檢測單位,除了檢測實力和服務大家有目共睹外,檢測單位的收費標準較為公開透明合理,大家可放心選擇中鋼國檢做檢測。